Robot Spawalniczy Turin TR10-1450B/ARC
Model
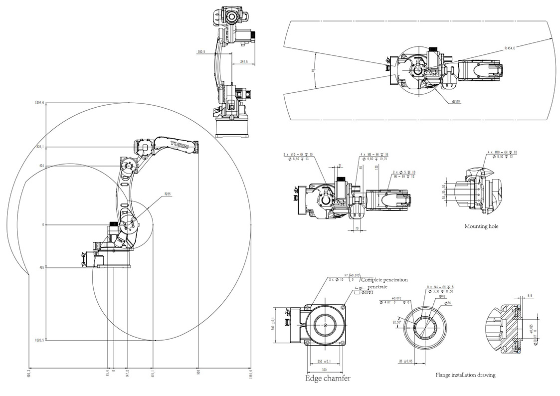
TR10-1450B/ARC
Udźwig
10 kg
Zasięg ramienia
1455 mm
Główne zastosowania:
- Spawanie
- Przenoszenie
- Obróbka metali
Wydajny 6-osiowy robot spawalniczy o udźwigu 10 kg i zasięgu 1455 mm.
Zaprojektowany z myślą o precyzyjnych procesach spawania, przenoszenia i obróbki metali. Gwarantuje powtarzalność ±0,05 mm i wysoką dynamikę ruchu nadgarstka. Niezawodny w środowiskach przemysłowych – gotowy do intensywnej pracy.
Parametry techniczne
| Udźwig nominalny | 10 kg |
| Zasięg ramienia | 1455 mm |
| Powtarzalność pozycjonowania | ±0,05 mm |
| Stopień ochrony | IP54 |
| Budowa | Pionowa, wieloprzegubowa konstrukcja |
| Liczba osi (DOF) | 6 |
| Zainstalowana moc | 4,3 kW |
| Masa własna | 155 kg |
| Szafa sterująca | TRC5-B06 |
| Montaż | Podłogowy |
Szybkości osi (maksymalne)
| Oś | Prędkość maksymalna |
|---|---|
| J1 | 198°/s |
| J2 | 198°/s |
| J3 | 210°/s |
| J4 | 330°/s |
| J5 | 450°/s |
| J6 | 700°/s |
Zakresy ruchu osi
| Oś | Zakres ruchu |
|---|---|
| J1 | ±170° |
| J2 | -92° ~ 153° |
| J3 | -100° ~ 75° |
| J4 | ±190° |
| J5 | ±130° |
| J6 | ±360° |
Moment obrotowy i bezwładność nadgarstka
| Oś | Maks. moment obrotowy | Maks. bezwładność |
|---|---|---|
| J4 | 20 Nm | 0,5 kg·m² |
| J5 | 20 Nm | 0,5 kg·m² |
| J6 | 11 Nm | 0,16 kg·m² |
Dane użytkowe i zasilanie
| Zasilanie użytkownika | Jednofazowe AC 220V (-10% ~ +10%) |
| Okablowanie użytkownika | RVV 10 × 0,2 |
| Pneumatyka użytkownika | 1 × Φ8 mm |
Środowisko pracy
| Temperatura | 0°C ~ 45°C |
| Wilgotność | 10% ~ 80% RH |
| Maks. gradient temperatury | 1,5°C/min |

