Robot Spawalniczy Turin TR06-1410B
Model
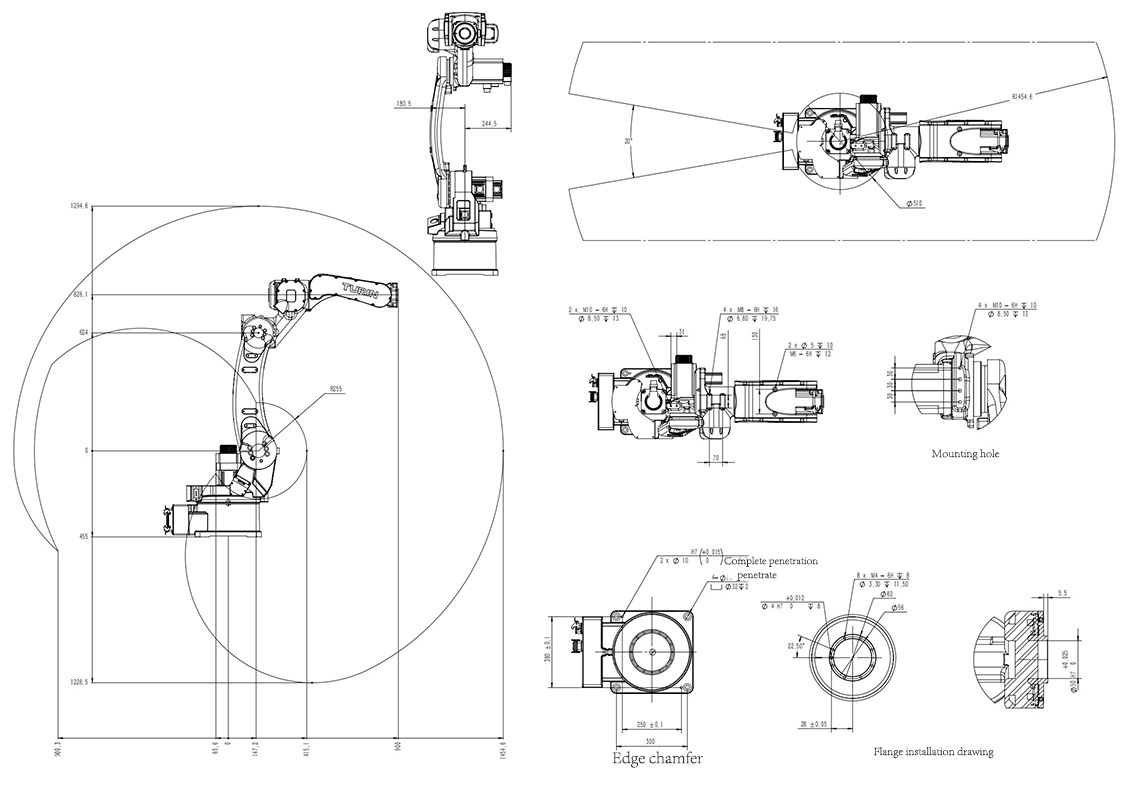
TR06-1410B
Udźwig
6 kg
Zasięg ramienia
1412 mm
Główne zastosowania:
- Spawanie
- Tłoczenie (punching press)
- Polerowanie elementów metalowych (hardware polishing)
- Przenoszenie detali (carry)
Wyposażony w 6 osi, gwarantuje dokładność ±0,05 mm oraz wysoką dynamikę pracy. Idealny do spawania, polerowania, tłoczenia i przenoszenia elementów metalowych. Kompaktowy, trwały i wszechstronny – stworzony do pracy w wymagającym środowisku przemysłowym.
Parametry techniczne
| Udźwig nominalny | 6 kg |
| Zasięg ramienia | 1412 mm |
| Powtarzalność pozycjonowania | ±0,05 mm |
| Stopień ochrony | IP54 / IP67 (osie 5 i 6 – opcjonalnie) |
| Budowa | Pionowa, wieloprzegubowa konstrukcja |
| Liczba osi (DOF) | 6 |
| Zainstalowana moc | 3,5 kW |
| Masa własna | 160 kg |
| Szafa sterująca | TRC5-B06 |
| Montaż | Podłogowy |
Szybkości osi (maksymalne)
| Oś | Prędkość maksymalna |
|---|---|
| J1 | 198°/s |
| J2 | 198°/s |
| J3 | 169°/s |
| J4 | 360°/s |
| J5 | 360°/s |
| J6 | 600°/s |
Zakresy ruchu osi
| Oś | Zakres ruchu |
|---|---|
| J1 | ±170° |
| J2 | -92° ~ 153° |
| J3 | -100° ~ 80° |
| J4 | ±140° |
| J5 | ±120° |
| J6 | ±360° |
Moment obrotowy i bezwładność nadgarstka
| Oś | Maks. moment obrotowy | Maks. bezwładność |
|---|---|---|
| J4 | 16,7 Nm | 0,49 kg·m² |
| J5 | 16,7 Nm | 0,49 kg·m² |
| J6 | 9,6 Nm | 0,16 kg·m² |
Dane użytkowe i zasilanie
| Zasilanie użytkownika | Jednofazowe AC 220V (-10% ~ +10%) |
| Okablowanie użytkownika | RVV 10 × 0,2 |
| Pneumatyka użytkownika | 1 × Φ8 mm |
Środowisko pracy
| Temperatura | 0°C ~ 45°C |
| Wilgotność | 10% ~ 80% RH |
| Maks. gradient temperatury | 1,5°C/min |

